亞蘭58U,58B,59B,59U
基本特點
- 結構:單端面
- 壓力:高壓
- 轉速:普通轉速
- 溫度:可耐高溫
- 特性:耐磨
- 標準:DIN24960,ISO3069,GB6556,EN12756
- 型號:58U,58B,59B,59U
- 平衡:非平衡型(58U和59U)和平衡型(58B和59B)
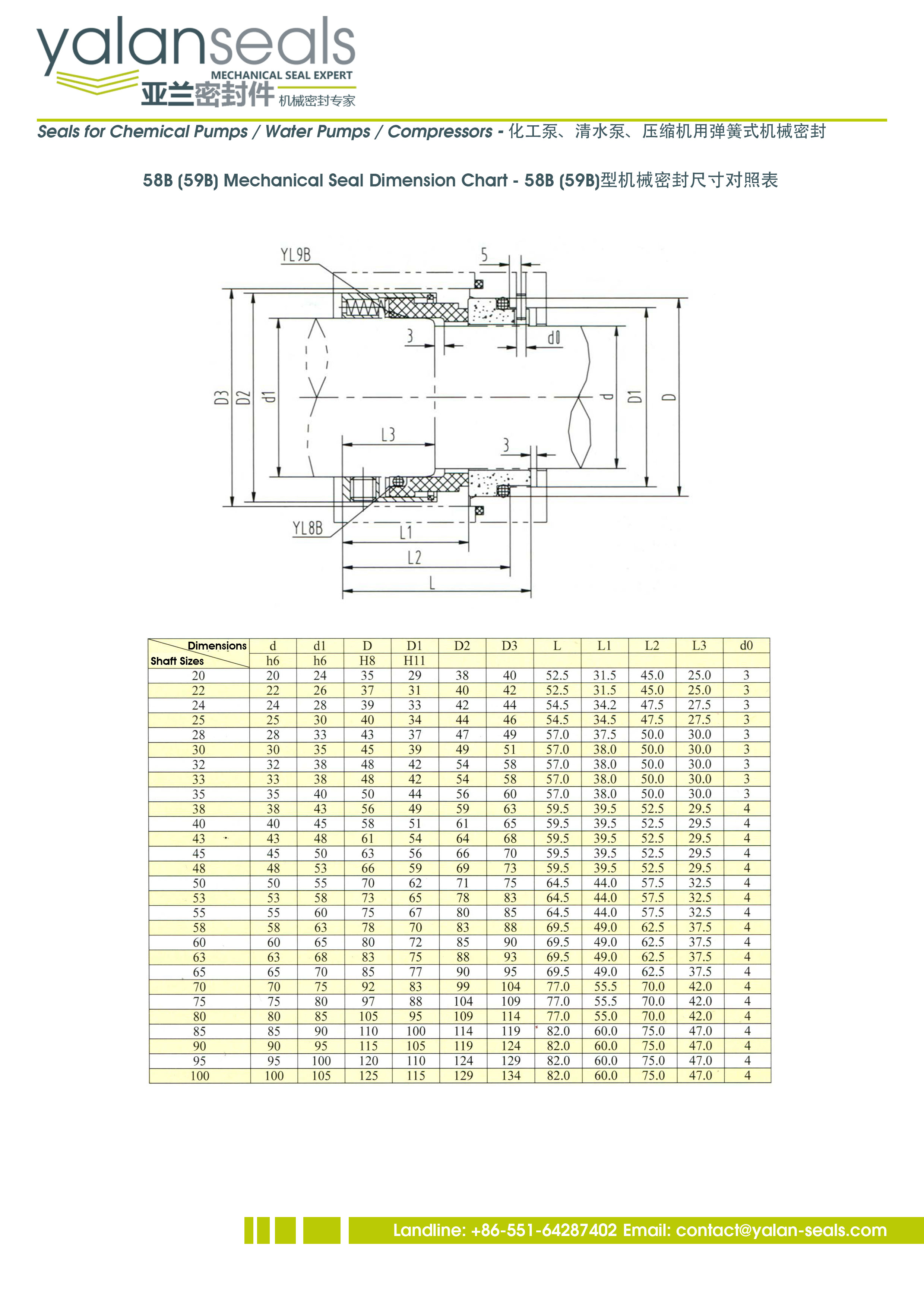
- 軸徑范圍:20 mm到100 mm
產品詳細描述
亞蘭58U,58B,59B和59U機械密封,用于化工離心泵、真空泵、壓縮機和反應釜等旋轉設備。
結構特點:單端面、多彈簧、非平衡(58U和59U)和平衡型(58B和5B),任意旋向,傳動套傳動。此機械密封件結構緊湊,軸向尺寸短,密封端面載荷均衡。此機械密封可完全替代約翰克蘭58B,58U,59B,59U等同類型產品。
執行標準:DIN24960,ISO3069,GB6556,EN12756
應用領域:主要用于化工離心泵、真空泵、壓縮機和反應釜等旋轉設備,適用于化工、制冷、煉油、污水處理、發電、造紙和制藥等行業。
運轉參數:
- 工作壓力:不高于4.0 MPa
- 工作溫度:- 40 ~ 200 oC
- 線速度:不大于25 m/s
材料配對:
- 動環密封面:石墨/碳化硅/碳化鎢
- 靜環密封面:氧化鋁陶瓷/碳化硅/碳化鎢
- 輔助密封:丁腈橡膠/三元乙丙膠/氟橡膠/聚四氟乙烯/全氟醚橡膠
- 彈簧:SS304/SS316/HC-276合金
- 金屬件:410S/SS304/SS316/SS316L/哈氏合金
介質:水、油、無機酸、堿、鹽和有機溶劑。
可定制:聯系我們提供您的定制需求。


- 下載58U/59U手冊
下載58B/59B手冊
